Info-Sys РГ4PoE-6LSA
- Артикул:306
- Производитель:Info-Sys
- Гарантия:1 год(а)
- Кол-во в 1 упаковке:1 шт
- SKU вендора:РГ4PoE-6LSA
Ожидаемая дата передачи в службу доставки 15 декабря (при условии наличия необходимого количества товара на складе). Подробнее о доставке и график отгрузок
Чтобы купить Info-Sys РГ4PoE-6LSA по выгодной цене, добавьте товар в корзину.
Вы можете купить аналоги Info-Sys РГ4PoE-6LSA

Info-Sys РГ4GPoE-6LSA
Защитный модуль на 6х Ethernet 1G, PoE, с заземлением
5 250 р.ЕСТЬ НА
СКЛАДЕ
Описание Info-Sys РГ4PoE-6LSA
Предназначен для защиты оборудования, использующего среду передачи Ethernet 10/100Base-TX, поддерживающего технологию PoE (Power Over Ethernet IEEE 802.3af), от опасных напряжений, возникающих в результате атмосферных разрядов (грозы) и индустриальных помех. Стандарт IEEE 802.3af предусматривает две схемы организации дистанционного питания для сетей Ethernet. Модуль РГ4РоЕ поддерживает обе схемы.
Устройство может быть смонтировано в стойку (19", 1U) с помощью специального корпуса.
Особенности
- Поддержка двух схем организации дистанционного питания, предусмотренных стандартом IEEE 802.3af
- Высокая стойкость
- Способность отводить на шину заземления большие токи при сохранении работоспособности (5000 ампер и более)
- Высокая степень подавления помех
- Низкие потери полезного сигнала (уровень потерь в устройстве меньше, чем в кабеле категории 5е длиной 2 м)
- Работоспособность изделия при случайном попадании фазного напряжения (220В) на жилы кабеля
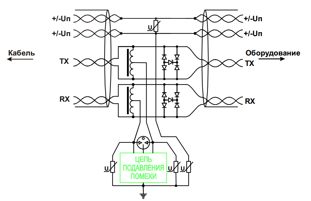
Принцип работы
В основе работы устройства лежит принцип отвода опасных напряжений, возникающих в кабеле, на шину заземления через газонаполненный разрядник от средней точки симметрирующего дросселя. Применение газонаполненного разрядника исключает появление уравнивающих токов в схемах с применением заземления на обоих концах кабельного сегмента. Напряжение срабатывания разрядника выбрано таким образом, чтобы обеспечить работоспособность изделия при случайном попадании фазного напряжения (220В) электросети общего назначения на жилы кабельного сегмента.
Диодный мост с TVS-диодом в диагонали обеспечивает подавление противофазных помех на сигнальной паре. Подавление помехи по цепи питания обеспечивается варистором. Другой варистор обеспечивает привязку потенциала питающих напряжений к потенциалу "Земли". Он же обеспечивает уравнивание потенциалов между сигнальными парами и парами, по которым передается питание РоЕ.
Рекомендации по использованию
Обустройство грозозащиты только на одном конце кабельного сегмента гарантированно создает проблемы на противоположном конце кабеля. Полная защита оборудования предполагает размещение защитных устройств на обоих концах кабельного сегмента. Применение газонаполненного разрядника в схеме подключения данного устройства к заземлению обеспечивает отсутствие уравнивающих токов в кабельных системах, неохваченных системой уравнивания потенциалов. Это позволяет применить устройство на обоих концах защищаемого кабельного сегмента. Размещение устройств РГ4PoE.x-x-220 на обоих концах кабеля обеспечивает максимально высокую стойкость системы защиты, которую можно применять для кабельных сегментов большой длины (80 метров и более), размещенных на большой высоте (10 метров и более).
ВНИМАНИЕ! Эксплуатация устройства при отключенном проводнике защитного заземления ЗАПРЕЩЕНА.
Не рекомендуется для подключения к защитному проводнику использовать корпус компьютера. Импульсный ток, проходящий через элементы корпуса, может повредить их и стать источником опасных напряжений для электронных компонентов, размещенных в корпусе.
Технические характеристики
| Подключение кабеля | Коннектор LSA |
| Подключение оборудования | Розетка RJ-45 |
| Защищаемые проводники | 1, 2, 3, 4, 5, 6, 7, 8 |
| Вносимые потери в полосе рабочих частот 5–95 МГц | < 0,4 дБ |
| Затухание несогласованности на частоте: | |
| 10 МГц | > 30 дБ |
| 50 МГц | > 20 дБ |
| 90 МГц | > 15 дБ |
| Переходное затухание между каналами на частоте 90 МГц | > 30 дБ |
| Уровень ограничения напряжения дифференциальной помехи на сигнальных парах 1-2, 3-6 | < ±7,5 В |
| Время срабатывания дифференциальной защиты | < 10 нс |
| Максимально допустимое напряжение на кабельных жилах (относительно потенциала "ЗЕМЛИ")* |
250 (AC) 320 (DC) |
| Максимальный отводимый импульсный ток (импульс 8/20 мкС) | < 10 КА |
| Разброс параметров по каналам | < 10% |
| Размеры (без заземляющего провода и соединительного кабеля) | 217 х 103 х 34 мм |
| Вес | 800 г |
* Возникает в результате неравенства потенциалов «ЗЕМЛИ» в различных точках подключения. Максимальных значений это напряжение достигает, если точки подключения не охвачены системой уравнивания потенциалов.
Комплект поставки
| Модуль | 1 шт. |
Технические характеристики Info-Sys РГ4PoE-6LSA
Вес
250 гУличное использование
НетЗаземление
ДаПоддержка POE
ДаКоличество линий (портов)
6Скорость передачи данных
100
Также вместе с Info-Sys РГ4PoE-6LSA покупают:

Info-Sys Универсальный корпус 19''
Для защитных модулей, 1U
3 900 р.ЕСТЬ НА
СКЛАДЕ
Info-Sys РГ4PoE IP54
Грозозащита Ethernet/PoE 100M, уличная
1 260 р.ЕСТЬ НА
СКЛАДЕ
Info-Sys РГ4PoE Исп.2 (male-female)
Грозозащита Ethernet/PoE 100M
1 070 р.ЕСТЬ НА
СКЛАДЕ
Info-Sys РГ4GPoE Исп.2 (male-female)
Грозозащита Ethernet/PoE 1G
1 290 р.ЕСТЬ НА
СКЛАДЕ




.png)
.png)
.png)
Отзывы о Info-Sys РГ4PoE-6LSA (0)
— нажмите, чтобы оценить